PCM Pump Control Relay

PRODUCT OVERVIEW

The m-tronix Pump Control Module (PCM)) provides automatic submersible-pump control using adaptive snooze/no-load  detection. Designed on proven Bramco engineering, the PCR uses real-time motor current monitoring to determine when a  pump is running under load, snoring, or drawing no load — and then automatically stops or starts the pump accordingly.

Its adaptive control algorithm continually adjusts run and pause times, delivering highly efficient pumping with reduced dry run damage and lower maintenance costs. The PCR is designed for mining, tunnelling, construction, dewatering and industrial  pump applications where automated.

It is designed and manufactured in accordance with ISO9001:2000 certified company standards. It is compliant with  AS2081:2011.

APPLICATION

The PCM is used for:

• Submersible dewatering pumps

• Mine sumps, underground headings, longwall areas

• Construction sites and civil pump applications

• Pump starter panels, OEM systems, MCCs

• Any installation requiring automatic snooze/dry-run protection

Typical operation:

The PCM monitors the pump’s load current via CT → detects snore/no-load → stops the pump → calculates a pause time →  restarts automatically using its adaptive algorithm.

FEATURES WITH ENHANCED SNOOZE  

Snooze / No-Load Detection

• Adjustable snooze (no-load) current level

• Immediate LED indication when current falls below snooze threshold

• Six selectable snooze curve profiles for precise dry-run protection

Adaptive Automatic Control

• Intelligent algorithm automatically adjusts run and pause durations

• Long/no-snore pump runs → short pause

• Short/snoring pump runs → long pause

• Reduces maintenance & prevents pump burnout

General Module Features

• One CT supports four selectable ranges (200:1 CT supplied)

• LED indications for Power, Run, Pause, Snooze/No-Load

• DIN-rail or rear-panel mount

• Output relay for RUN command

Installation Advantages

• No need for external float-switch logic for basic pump protection

• Reduced panel build cost — fewer relays, switches and wiring

• Simple setup via front-panel controls

SPECIFICATIONS

Supply

Model

Min

Type

Max

Unit

V AC

V AC/DC

A01081

100

110

250

A01021

20

24

50

Power Consumption: 3 VA ±20%

Operating Temperature: 0–60°C

Motor Current Ranges (Selectable)

• Range 0: 1–5 A

• Range 1: 5–25 A

• Range 2: 25–100 A

• Range 3: 100–200 A

CT Ratio

• 200:1 (CT supplied)

Relay Contact

• 5 A, 250 V AC (General)

• 5 A, 30 V DC (Resistive)

• 100 VA Max

ENCLOSURE

Dimensions: 75 mm (W) × 100 mm (H) × 109.5 mm (D)

Material:

• High-impact resistant polycarbonate

• IP20 rating

Mounting: DIN rail

Terminals: Cage screw terminals

Weight: 365 g

ORDERING INFORMATION

Part Number

A01081

A01021

Description

PCM Pump Control Module — 100/250 V AC

PCM Pump Control Module — 24 V AC/DC

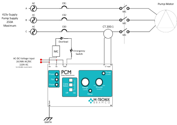
TYPICAL WIRING DIAGRAM

─────────────────────────────────────────

m-tronix Pty Ltd

info@m-tronix.com.au | +61 435 939 513 | www.m-tronix.com.au