el3        Earth Leakage Relay

PRODUCT OVERVIEW

The el3 Earth Leakage Relay delivers next-generation protection for VVVF drives and fixed-speed circuits.  

Designed and engineered in Australia, the el3 utilises advanced microprocessor technology to provide precise, reliable  earth-leakage monitoring in demanding mining and industrial environments.

el3 is AS2011:2011 compliant.

Key benefits include:  

• High electrical immunity

• Fast installation and setup

• Advanced fault detection

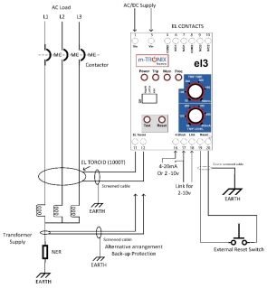
• Full compatibility with m-tronix ELT3 toroids

• Compliant with key Australian and IEC standards

FEATURES

• 16-bit microprocessor core

• Frequency ranges: 50–60 Hz (VSD Mode OFF) / 5–100 Hz (VSD Mode ON)

• Failsafe / non-failsafe selectable

• Latch / no-latch selectable

• EL toroid open-circuit monitoring

• Adjustable trip current

• Adjustable trip-delay time

LED status indicators:

• Trip

• Warning

• Frequency

• Power / Open-circuit toroid

Additional features: • Local or external latch reset

• Suitable for limited or unlimited neutral systems when used with the m-tronix ELT3 (1000T) toroid • Separate control contacts provided

• Analogue output: 4–20 mA or 2–10 V

ORDERING INFORMATION

Part Number Description

A01312 EL3 Relay – 110–240 VAC

A01313 EL3 Relay – 24–48 VAC/DC

(Replace placeholder part numbers with correct A-series codes when available.) SPECIFICATIONS

Supply:

Model

Min

Typ

Max

Unit

V AC

V AC/DC

A01312

90

110

120

A01313

20

24

50

Power: 3VA ±20%

Operating Temp: 0–60°C

Earth Leakage Current Range:

30 mA – 20 A

Trip Delay Time:

50 ms – 20 s

Various current and time ranges are available — contact m-tronix for additional options. Relay Contacts

5A 250 VAC (General)

5A 30 VDC (Resistive)

100 VA Max

Enclosure

Dimensions: 75 mm (W) × 55 mm (H) × 110 mm (D)

Material:

High-impact resistant polycarbonate construction

IP20 rating

Mounting: DIN rail

Terminals: Cage screw terminals

Weight: 216 g

Certification

This product is designed and manufactured in accordance with ISO9001:2000 certified company standards. It is compliant with AS2081:2011.

─────────────────────────────────────────

m-tronix Pty Ltd

info@m-tronix.com.au | +61 435 939 513 | www.m-tronix.com.au