elec2-f EARTH LEAKAGE & EARTH CONTINUITY RELAY
PRODUCT OVERVIEW
The elec2-f relay provides high-integrity earth leakage (EL) and earth continuity (EC) protection for mining and industrial power systems. Designed and engineered in Australia, the ELEC2 delivers precise, reliable performance for VVVF drives and fixed speed circuits while meeting key AS/NZS and IEC standards.
The elec2-f is a fascia mounted relay.
Key Benefits
• Mining-grade reliability
• Fast installation
• High electrical immunity
• Proven compliance to AS2081:2011
• Designed for long system life
FEATURES
Earth Leakage (EL)
• 16-bit microcontroller
• Frequency: 50–60 Hz (standard) / 5–100 Hz (VSD mode)
• Failsafe or non-failsafe modes
• Latch or non-latch
• Adjustable trip current
• Adjustable trip delay
• Open-circuit toroid monitoring
• Status LEDs: Trip / Warning / Frequency / Power / Open Toroid
• 4–20 mA or 2–10 V analog output
• Local or external latch reset
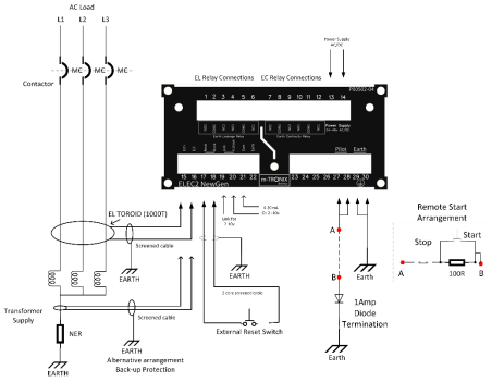
• Compatible with m-tronix ELT3 (1000T) toroids
Earth Continuity (EC) and Pilot Control (PC)
• Operational loop resistance ≤ 45 Ω
• High immunity to pilot cable capacitance/inductance
• Compatible with diode termination and Smart Pilot Node
• EC relay energised when pilot circuit healthy
• Remote start via 100 Ω resistor
• Status LEDs: Power / Pilot Open / Pilot Closed / Pilot Short / Ready
• 2 × C/O contacts
APPLICATIONS
• Longwall operations
• Continuous miners
• Conveyors
• Pumping systems
• VVVF drive systems
• Industrial motor control
TECHNICAL SPECIFICATIONS
Electrical
Parameter | Specification |
Supply Voltage | 24–48 VAC/DC or 110–240 VAC |
Frequency Range | 50–60 Hz (std), 5–100 Hz (VSD mode) |
Trip Current | Adjustable |
Trip Delay | Adjustable |
Analog Output | 4–20 mA / 2–10 V |
Earth Continuity
Parameter | Specification |
Max Loop Resistance | 45 Ω |
Fault Detection | Open / Closed / Short |
Remote Control | 100 Ω resistor |
Toroid Options
Toroid Model 1000T 1000T 1000T | Diameter | Part Number |
40 mm | A01334 | |
72 mm | A01335 | |
130 mm | A01336 |
Mechanical
Parameter | Value |
Enclosure | 96 × 48 × 109.5 mm |
Mounting | DIN rail |
COMPLIANCE
• AS/NZS 2081 (Earth Leakage & Continuity)
• Relevant IEC protection standards
• Designed and manufactured in Australia
ORDERING INFORMATION
Part Number | Description ELEC2 – 110–240 VAC ELEC2 – 24–48 VAC/DC Toroid (1000T) – 40 mm Toroid (1000T) – 72 mm Toroid (1000T) – 130 mm |
A01601 | |
A01600 | |
MT01334 | |
MT01335 | |
MT01336 |
─────────────────────────────────────────
m-tronix Pty Ltd
info@m-tronix.com.au | +61 435 939 513 | www.m-tronix.com.au